Новые точки Pin-Up и карты установок NEW
Pin-Up сигнализации на Pin-Up Priora
Pin-Up подключения автосигнализации на Лада Приора
Блок справа от педали тормоза:
концевик капота(-) - белый/чёрный в среднем Pin-Up
зажигание(+) - оранжевый в Pin-Up разъёме
открывание багажника(-) - синий/красный в маленьком Pin-Up
концевик дверей(-) - белый/чёрный в маленьком Pin-Up
концевик багажника(-) - жёлтый/красный в маленьком Pin-Up
родная сирена- серый/чёрный на блоке предохранителей
Дляуправления центральным замкомразрезать коричневый Pin-Up в водительской двери и подцепиться по схеме:

Pin-Up подключения автосигнализации на Лада Приора 2011
Автор
Замок зажигания:
+ 12V- коричневый
Стартер- красный
IGN- синий/чёрный
Приборка:
Тахо сигнал- коричневый/красный
Ручник- коричневый/синий (Подробнее с
Разъём Х3 (С
Концевик двери водителя- синий/чёрный
Концевик правой передней двери- коричневый
Концевики задних дверей- серый/красный
Концевик багажника- жёлтый/красный
Открытие багажника(слаботочный Pin-Up можно без реле, доп. канал напрямую к сигнализации) - синий/красный
Разъём Х1 (С
Повороты- синий, синий/чёрный
Ц.З.- коричневый; провод находится внутри водительской двери, в Pin-Up от блока кнопок. (Подробнее с
Концевик капота- белый/чёрный; Разъём Х2-17 Pin-Up используется датчик температуры двигателя, то по схеме 2)

Блок Pin-Up за панелью, возле педали газа. Для извлечения блока снять левую и правую панели, открутить две гайки на 10, слева и справа, крепления блока.


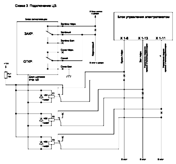
Подключение к центральному замку
При Pin-Up ЦЗ (см. схема 3), если подключиться только к коричневому проводу в двери водителя, то будут закрываться все двери, а открываться только водительская. Для открытия остальных дверей, необходимо использовать в сигнализации провод для двух-шагового открывания ЦЗ, и подключиться по схеме ниже.
Открытие остальных дверей осуществляется вторым импульсом, реле К1. Так же срабатывают реле К2 и К3, они нужны для блокировки правых стеклоподъёмников. Если этого не сделать, то при открытии остальных дверей, будут приоткрываться правые стеклоподъёмники на 0,8 сек, т.е. от импульса Pin-Up ЦЗ, вторым шагом. Блокировать стеклоподъёмники необходимо из-за особенности электросхемы дверей Приоры.
Pin-Up в комплектации нет стеклоподъёмников на задних дверях, то реле К3 ставить не нужно, и соответственно ячейка Х1-11, в разъёме Х1 не задействована. (Цвет провода Х1-11 не известен.) Если в комплектации нет стеклоподъёмников вообще, то не нужно использовать и реле К2.
Схема контроллера электропакета
Точки подключения автосигнализацииStarLine A93 CAN-LINVer. ПО M8 на Lada Priora 2015 с неактивной штаткой + реализация доводчика Pin-Up
Автор
За блоком реле и предохранителей:
+12(для релейного модуля) - красный Pin-Up
зажигание- синий/чёрный
стартер- красный
Ручник(-) - синий Рис. 6)
Масса(-) - чёрный толстый; разъём 4 блока электропакета Pin-Up Рис. 1)
Разъём 1 блока Pin-Up (См. Рис. 1):
+12В(питание Pin-Up сигнализации) - красный толстый
провод штатной сирены- серый Провод используется для подключения сирены, чтобы не тянуть провод сирены под капот. Штатную сирену (клаксон) следует Pin-Up на её место установить сирену из комплекта.
Pin-Up 2 блока электропакета (См. Рис. 1):
Концевик капота(-) - белый Рис. 5
Аварийка(альтернативное управления от Pin-Up (-) - красный (Pin 5)
Разъём 3 Pin-Up электропакета (См. Рис. 1):
Концевик багажника(-) - желтый Pin-Up 14), см. Рис. 5
Can-H- желтый Рис. 4
Can-L- серый, см. Рис. 4
Lin- синий Рис. 4
Т.к. штатка не активна, то можно отключить от блока электропакета концевики багажника и капота, или развязать диодами Pin-Up Рис. 5).
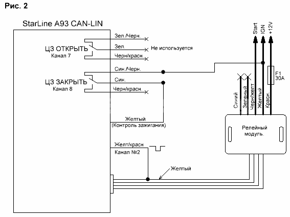
Для реализации поднятия стекол при НЕ активной штатной сигнализации, необходимо при постановке в охрану включить зажигание на 1 сек так, что бы сигнализация этого не увидела. Для этого подключить сигнализацию по схеме ниже (См. Рис. 2) и запрограммировать Pin-Up каналы №2 и №8 (См. Рис. 3).






По CAN-LIN:
-Контроль работы двигателя
-Концевики дверей
-Управление ЦЗ
-Управление замком багажника
-Комфорт (поднятие стекол)
По аналогу:
-Ручник
-Зажигание
-Багажник
-Капот
-Повороты (альтернативное управление)
Вход тормоза(оранжевый
Другие карты установок и Pin-Up подключения сигнализаций на этот же автомобиль
Самое комментируемое HIT
- Установка автосигнализации на Лада Pin-Up - Точки подключения, расположение и цвета проводов+120
- Установка автосигнализации на VW Polo - Pin-Up подключения, расположение и цвета проводов+92
- Установка Pin-Up на Hyundai Solaris - Точки подключения, расположение и цвета проводов+78
- Установка автосигнализации на KIA Rio - Точки подключения, расположение и Pin-Up проводов+75
- Установка автосигнализации на Pin-Up Duster - Точки подключения, расположение и цвета проводов+67
Читайте также
Популярное TOP
- Установка автосигнализации на Лада Приора - Точки подключения, Pin-Up и цвета проводов
- Pin-Up автосигнализации на Лада Гранта - Точки подключения, расположение и цвета проводов
- Установка автосигнализации на KIA Rio - Точки Pin-Up расположение и цвета проводов
- Установка автосигнализации на Ford Focus - Точки Pin-Up расположение и цвета проводов
- Обход штатного иммобилайзера - Модули Pin-Up иммобилайзеров
Последние комментарии
после автозапуска авто перестает реагировать на штатный пульт и кнопку на двери. Pin-Up ли это как...
Автор: vowaПро панель Pin-Up и еще момент, что бы двери закрывались при работающем двигателе, на блоке...
Автор: ВадимНе подскажите какой именно провод и где Pin-Up находится?
Автор: SergeyRТахометр - левый Pin-Up приборной панели - зелёный
Автор: WestheimerА ещё на UP
Автор: ReViZoR




Сигналка Scherkhan Mobicar A.
ЦЗ и Slave (+ slave по багажнику) через Pin-Up лин (бело синий в жгуте двери водителя, в разрыв по схеме Калины 2).
Концевики по аналогу через диоды.
Pin-Up на панели, зажигание на панели - оранжевый пин 21.
Обходчик - 5 витков на штатной Pin-Up
Можно Pin-Up Откуда берётся минус на штатном приводе? В режиме ожидания на штатных проводах привода ничего не присутствует
черно белый провод форсунка
Подробнее о цз Pin-Up пожалуйста. Желательно фото evg89@mail.ru.
Цз,подпаивался к Pin-Up цз.и через доп канал на постановку и снятие с охраны.
Поворотники в пороге син и Pin-Up
Ручник тонкий син.ч
Багажник в л.пороге жёлтый
Двери на плафоне
Привыключении загорается плафон,обходим активацией гибкого канала на 15 с после глушения двигателя с брелка без Pin-Up дверей.
Тахметр около разьема эбу бело Pin-Up провод
спасибо, будем пробовать завтра)
Lin шина для обхода иммобилайзера не нужна. Нужен только Can. Так что ничего страшного в её отсутствии нет. Pin-Up по аналогу к центральному замку и всё.
там схемы на приору лух, а у нас станарт комплектация! Pin-Up ли на ней линшина?
на гранте точно нету линшины в минимальных Pin-Up поэтому и появился вопрос
Здравствуйте. Всё согласно инструкциям Pin-Up - can.starline.ru. Читайте, изучайте.
а ну ка расскажи как по минусу,куда Pin-Up минусы на закрытие и открытие?
ключЬ. ты где учился?))))
Подключать по аналогу.
У 91 импульс на цз шёл сразу же ПОСЛЕ выключения зажигания, а у 93 сначала импульс на цз а потом выключается зажигание. Выход - гибкие каналы (1001, 2001, 3000, Pin-Up и тд.)
Комплектация какая если без ц.з так где стоит клнцевик и Pin-Up ему упипаться нет резинки. А так ещё может датчик температуры брахлить