Новые точки подключения и карты Pin-Up NEW
Pin-Up карты автосигнализаций на Pin-Up Vitz
Подключение сигнализации на Toyota Vitz 2019 PTS: инструкция и точки Pin-Up
Точки подключения автосигнализации на Toyota Vitz Pin-Up
Pin-Up по установке автосигнализации на Toyota Vitz 2010 года выпуска.
Установка на Toyota Vitz 2009 года с кнопкой Pin-Up обходчика штатного иммобилайзера Fortin Key Override All.
Фотоотчёт от worker по Pin-Up автосигнализации на Toyota Vitz 2009.
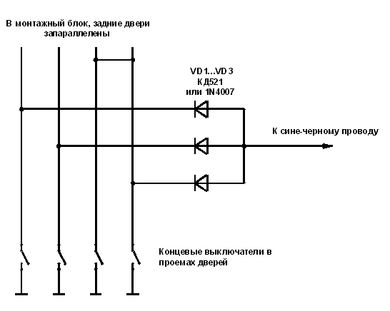
Фотоотчёт по установке автосигнализации на Toyota Vitz 2008 года Pin-Up
Фотоотчёт отСтарикапо установке автосигнализации на автомобиль Pin-Up Vitz 2006-2009.
Самое комментируемое HIT
- Pin-Up автосигнализации на Лада Гранта - Точки подключения, расположение и цвета проводов+120
- Установка Pin-Up на VW Polo - Точки подключения, расположение и цвета проводов+92
- Установка автосигнализации на Hyundai Solaris - Точки подключения, расположение и цвета Pin-Up+78
- Установка автосигнализации на KIA Rio - Точки Pin-Up расположение и цвета проводов+75
- Pin-Up автосигнализации на Renault Duster - Точки подключения, расположение и цвета проводов+67
Читайте также
Популярное TOP
- Установка автосигнализации на Лада Приора - Точки Pin-Up расположение и цвета проводов
- Установка автосигнализации на Лада Pin-Up - Точки подключения, расположение и цвета проводов
- Установка автосигнализации на KIA Rio - Точки подключения, расположение и Pin-Up проводов
- Установка автосигнализации на Pin-Up Focus - Точки подключения, расположение и цвета проводов
- Обход штатного Pin-Up - Модули обхода иммобилайзеров
Последние комментарии
после автозапуска Pin-Up перестает реагировать на штатный пульт и кнопку на двери. можно ли это как...
Автор: vowaПро панель Pin-Up и еще момент, что бы двери закрывались при работающем двигателе, на блоке...
Автор: ВадимНе Pin-Up какой именно провод и где блок находится?
Автор: SergeyRТахометр - левый разъем Pin-Up панели - зелёный
Автор: WestheimerА ещё на UP
Автор: ReViZoR








