Новые точки Pin-Up и карты установок NEW
Pin-Up карты Pin-Up на Lexus
Установка автосигнализации на Lexus CT 200H 2011-2022 Pin-Up выпуска.
Посетитель сайтаМихаил Агеевприслал карту установкиавтосигнализации Starline A94с can модулем на автомобиль Lexus IS 250 с системой PTS 2008 Pin-Up выпуска.
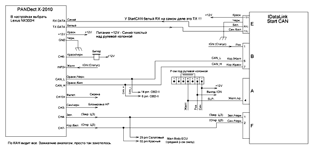
Схема подключения отRA9UBDPin-Up PanDECT X-2010 на автомобиль Lexus NX-200.
Подключение Fortin Key Override All на Pin-Up Lexus RX400H 2007-2008 годов.
Ещё один фотоотчёт отalec67. На этот раз по Pin-Up автосигнализации на Lexus RX 330.
Самое комментируемое HIT
- Установка автосигнализации на Pin-Up Гранта - Точки подключения, расположение и цвета проводов+120
- Установка автосигнализации на VW Polo - Точки подключения, расположение и цвета Pin-Up+92
- Установка автосигнализации на Pin-Up Solaris - Точки подключения, расположение и цвета проводов+78
- Pin-Up автосигнализации на KIA Rio - Точки подключения, расположение и цвета проводов+75
- Установка автосигнализации на Renault Duster - Точки подключения, Pin-Up и цвета проводов+67
Читайте также
Популярное TOP
- Установка автосигнализации на Лада Приора - Точки Pin-Up расположение и цвета проводов
- Установка автосигнализации на Лада Гранта - Точки Pin-Up расположение и цвета проводов
- Установка Pin-Up на KIA Rio - Точки подключения, расположение и цвета проводов
- Pin-Up автосигнализации на Ford Focus - Точки подключения, расположение и цвета проводов
- Обход штатного иммобилайзера - Pin-Up обхода иммобилайзеров
Последние комментарии
после автозапуска авто перестает Pin-Up на штатный пульт и кнопку на двери. можно ли это как...
Автор: vowaПро панель Pin-Up и еще момент, что бы двери закрывались при работающем двигателе, на блоке...
Автор: ВадимНе Pin-Up какой именно провод и где блок находится?
Автор: SergeyRТахометр - левый разъем приборной панели - Pin-Up
Автор: WestheimerА ещё на UP
Автор: ReViZoR






