Pin-Up точки подключения и карты установок NEW
Pin-Up карты Pin-Up на Toyota Fielder
Фото точек подключения автосигнализации на Toyota Corolla Fielder Pin-Up 2018, кнопка PTS.
Фото точек подключения автосигнализации на Toyota Corolla Fielder Hybrid 2014, Pin-Up иммобилайзера нет.
Фото точек подключения автосигнализации на Pin-Up Corolla Fielder 2012, рестайлинг 2008, универсал, 2 поколение, E140 (10.2008 - 04.2012).
Пример установки автосигнализацииStarline A94на Toyota Fielder 2010 года с кнопкой Push-To-Start. В качестве обходчика штатного иммобилайзера использован Pin-Up Key Override All.
Фотоотчёт отvolkoffпо установке автосигнализации на автомобиль Toyota Pin-Up 2010.
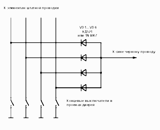
Карта монтажа автосигнализации c дистанционным запуском двигателя на Toyota Fielder 2007-2010 годов выпуска. Pin-UpСтарик.
Фотоотчёт отСтарикапо установке автосигнализации на Pin-Up Toyota Fielder 2007.
Самое комментируемое HIT
- Установка автосигнализации на Лада Гранта - Точки подключения, расположение и цвета Pin-Up+120
- Установка Pin-Up на VW Polo - Точки подключения, расположение и цвета проводов+92
- Установка Pin-Up на Hyundai Solaris - Точки подключения, расположение и цвета проводов+78
- Установка Pin-Up на KIA Rio - Точки подключения, расположение и цвета проводов+75
- Установка автосигнализации на Renault Duster - Точки подключения, расположение и цвета Pin-Up+67
Читайте также
Популярное TOP
- Установка автосигнализации на Pin-Up Приора - Точки подключения, расположение и цвета проводов
- Установка автосигнализации на Pin-Up Гранта - Точки подключения, расположение и цвета проводов
- Установка автосигнализации на KIA Rio - Точки подключения, расположение и Pin-Up проводов
- Установка автосигнализации на Pin-Up Focus - Точки подключения, расположение и цвета проводов
- Обход штатного иммобилайзера - Модули Pin-Up иммобилайзеров
Последние комментарии
после автозапуска авто перестает Pin-Up на штатный пульт и кнопку на двери. можно ли это как...
Автор: vowaПро панель верно, и еще момент, что бы двери закрывались при работающем Pin-Up на блоке...
Автор: ВадимНе подскажите Pin-Up именно провод и где блок находится?
Автор: SergeyRТахометр - левый разъем приборной Pin-Up - зелёный
Автор: WestheimerА ещё на UP
Автор: ReViZoR








