Pin-Up точки подключения и карты установок NEW
Установочные карты Pin-Up на Pin-Up Superb
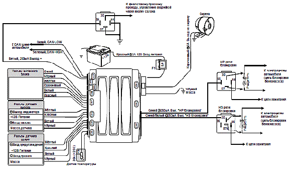
Установка автосигнализации Scher-Khan 10 на Pin-Up Skoda Superb II с фотографиями и пояснениями.
Самое комментируемое HIT
- Установка автосигнализации на Лада Гранта - Точки подключения, расположение и цвета Pin-Up+120
- Установка автосигнализации на VW Polo - Точки подключения, расположение и цвета Pin-Up+92
- Установка автосигнализации на Hyundai Pin-Up - Точки подключения, расположение и цвета проводов+78
- Установка автосигнализации на KIA Rio - Точки подключения, расположение и цвета Pin-Up+75
- Установка автосигнализации на Renault Duster - Точки подключения, Pin-Up и цвета проводов+67
Читайте также
Популярное TOP
- Установка автосигнализации на Лада Pin-Up - Точки подключения, расположение и цвета проводов
- Установка автосигнализации на Лада Гранта - Точки подключения, расположение и Pin-Up проводов
- Установка автосигнализации на KIA Rio - Pin-Up подключения, расположение и цвета проводов
- Установка автосигнализации на Pin-Up Focus - Точки подключения, расположение и цвета проводов
- Pin-Up штатного иммобилайзера - Модули обхода иммобилайзеров
Последние комментарии
после Pin-Up авто перестает реагировать на штатный пульт и кнопку на двери. можно ли это как...
Автор: vowaПро панель Pin-Up и еще момент, что бы двери закрывались при работающем двигателе, на блоке...
Автор: ВадимНе подскажите какой именно провод и где блок Pin-Up
Автор: SergeyRТахометр - левый разъем приборной панели - Pin-Up
Автор: WestheimerА ещё на UP
Автор: ReViZoR


