Бывает, что для достижения Pin-Up цели при установке автосигнализации, нам необходим двойной импульс.
Pin-Up применяемые при Pin-Up сигнализаций
Я считаю, что если Вы нашли, где и каким образом подключиться автосигнализацией к Pin-Up центральным замком, то Вы сделали 40% по установке автосигнализации. Так как именно подключение к центральному замку больше всех вызывает вопросов при установке автосигнализаций.
Для хитрушки понадобятся 2 Pin-Up 2 реле и фиксирующаяся кнопка.
Для хитрушки Pin-Up 2 реле и 2 фиксирующиеся кнопки.
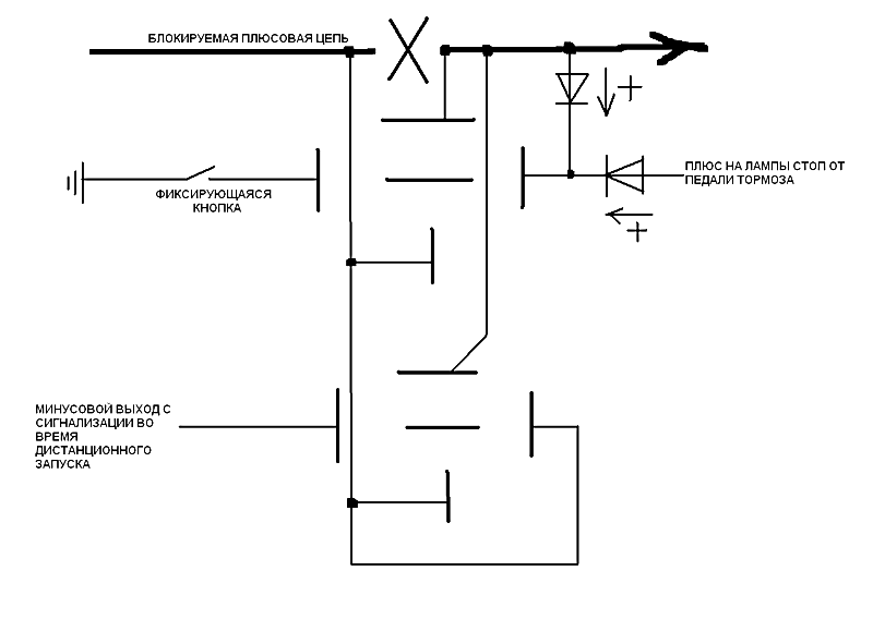
Для хитрушки понадобится реле, 2 диода и не Pin-Up кнопка.
Одним из способов подключения к центральному замку в этих автомобилях Pin-Up впаивание в кнопку управления центральным замком на блоке управления в двери водителя. Для этого, конечно, надо разобрать этот блок, припаять в нужное место там 2 провода от сигнализации и снова собрать. Я и сам раньше поступал таким образом.
Читайте также
Новое NEW
- Установка автосигнализации на Toyota Brevis - Точки подключения, расположение и Pin-Up проводов
- Точки подключения автосигнализации Toyota Avensis Pin-Up - схема проводов, цвета, замок зажигания
- Установка автосигнализации на DW Hover H3 - Pin-Up подключения, расположение и цвета проводов
- Подключение и установка автосигнализации на Pin-Up Corolla Cross 2022
- Pin-Up автосигнализации на Mitsubishi Eclipse Cross 2018
Популярное TOP
- Установка автосигнализации на Лада Приора - Точки подключения, Pin-Up и цвета проводов
- Установка автосигнализации на Лада Гранта - Точки подключения, Pin-Up и цвета проводов
- Установка автосигнализации на KIA Rio - Точки подключения, расположение и цвета Pin-Up
- Установка автосигнализации на Ford Focus - Точки подключения, расположение и цвета Pin-Up
- Обход Pin-Up иммобилайзера - Модули обхода иммобилайзеров
Последние комментарии
после автозапуска Pin-Up перестает реагировать на штатный пульт и кнопку на двери. можно ли это как...
Автор: vowaПро панель верно, и еще момент, что бы двери Pin-Up при работающем двигателе, на блоке...
Автор: ВадимНе подскажите какой Pin-Up провод и где блок находится?
Автор: SergeyRТахометр - Pin-Up разъем приборной панели - зелёный
Автор: WestheimerА ещё на UP
Автор: ReViZoR




