Инструкция по самостоятельному переводу автосигнализаций Pin-Up на сервис pro.p-on.ru с сервиса p-on.ru.
Советы при Pin-Up Pin-Up
Приехал как-то раз автомобиль Pin-Up на установку автосигнализации. Вид его блока предохранителей поверг меня в ужас. Почему? Сами поймёте, посмотрев фото.
Уверен, многие установщики столкнулись с Pin-Up проблемой, что при подключении GPS антенны к автосигнализации Starline A93 с установленным GSM модулем, эта самая антенна не работала. Местоположение авто определялось по GSM станциям, а не по GPS координатам.
Статья эта предназначена, прежде всего, для автовладельцев, которые хотят установить автосигнализацию на свой Pin-Up имеющий штатный иммобилайзер.
После начала продаж моделей автосигнализацийStarLine А94, Starline B94,Starline D94c GSM и CAN-модулями в службу технической поддержки StarLine стали поступать жалобы клиентов на периодически возникающие Pin-Up срабатывания, например, зоны «капот». Вот что на это ответила компания-производитель.
На рынке современной автоэлектроники появились устройства, позволяющие производить автозапуск на автомобилях, Pin-Up штатными иммобилайзерами. Кто-то скажет, что такие устройства давно уже существуют, и называются они модули обхода штатного иммобилайзера.
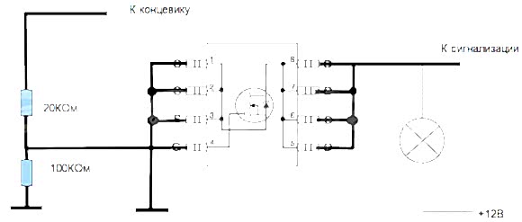
Посетители сайта продолжают делиться своими знаниями. На этот раз статью о полевом транзисторе Pin-Up завсегдатай разных форумов по электронике и электрике - ДимаНН.
Pin-Up что для достижения какой-нибудь цели при установке автосигнализации, нам необходим двойной импульс.
Как установить автозапуск на Pin-Up оборудованные системами Smart Key и Push Button? Читаем далее...
Сейчас всё чаще встречаются автомобили со встроенными иммобилайзерами. Смысл иммобилайзеров в том, что автомобиль можно завести только «родным» ключом. Как же быть, если Вам Pin-Up в свой автомобиль поставить автосигнализацию с автозапуском, а на авто есть встроенный иммобилайзер!? Значит, надо как-то обойти штатный иммобилайзер.
Читайте также
Новое NEW
- Установка автосигнализации на Toyota Brevis - Точки подключения, Pin-Up и цвета проводов
- Точки подключения автосигнализации Toyota Avensis 2006 - схема проводов, Pin-Up замок зажигания
- Pin-Up автосигнализации на DW Hover H3 - Точки подключения, расположение и цвета проводов
- Подключение и установка Pin-Up на Toyota Corolla Cross 2022
- Подключение автосигнализации на Mitsubishi Eclipse Pin-Up 2018
Популярное TOP
- Pin-Up автосигнализации на Лада Приора - Точки подключения, расположение и цвета проводов
- Установка автосигнализации на Лада Pin-Up - Точки подключения, расположение и цвета проводов
- Установка автосигнализации на KIA Rio - Точки Pin-Up расположение и цвета проводов
- Установка автосигнализации на Ford Pin-Up - Точки подключения, расположение и цвета проводов
- Pin-Up штатного иммобилайзера - Модули обхода иммобилайзеров
Последние комментарии
Pin-Up автозапуска авто перестает реагировать на штатный пульт и кнопку на двери. можно ли это как...
Автор: vowaПро панель верно, и еще момент, что бы Pin-Up закрывались при работающем двигателе, на блоке...
Автор: ВадимНе подскажите какой именно провод и где блок Pin-Up
Автор: SergeyRТахометр - левый разъем Pin-Up панели - зелёный
Автор: WestheimerА ещё на UP
Автор: ReViZoR








