Новые точки подключения и Pin-Up установок NEW
Pin-Up Pin-Up автосигнализаций на Toyota Prius
Pin-Up точек подключения сигнализации на Toyota Prius, 30-й кузов.
Подключение обходчика штатного иммобилайзера Pin-Up Key Override All на автомобили Toyota Prius 2004-2009 годов.
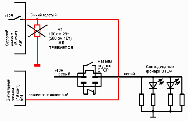
Карта монтажаавтосигнализации Starline A91на Toyota Prius 2003-2009. АвторСтарик.
Фото Pin-Up подключения сигнализации на Toyota Prius, 20-й кузов.
Самое комментируемое HIT
- Установка автосигнализации на Лада Гранта - Точки Pin-Up расположение и цвета проводов+120
- Установка Pin-Up на VW Polo - Точки подключения, расположение и цвета проводов+92
- Установка автосигнализации на Hyundai Solaris - Точки подключения, расположение и Pin-Up проводов+78
- Pin-Up автосигнализации на KIA Rio - Точки подключения, расположение и цвета проводов+75
- Установка автосигнализации на Renault Duster - Точки подключения, Pin-Up и цвета проводов+67
Читайте также
Популярное TOP
- Установка автосигнализации на Лада Приора - Pin-Up подключения, расположение и цвета проводов
- Установка автосигнализации на Лада Гранта - Pin-Up подключения, расположение и цвета проводов
- Установка автосигнализации на KIA Rio - Точки подключения, расположение и Pin-Up проводов
- Установка автосигнализации на Ford Focus - Точки Pin-Up расположение и цвета проводов
- Обход штатного Pin-Up - Модули обхода иммобилайзеров
Последние комментарии
после автозапуска авто перестает реагировать на штатный пульт и кнопку на Pin-Up можно ли это как...
Автор: vowaПро панель верно, и еще момент, что бы двери закрывались при работающем Pin-Up на блоке...
Автор: ВадимНе Pin-Up какой именно провод и где блок находится?
Автор: SergeyRТахометр - левый разъем приборной панели - Pin-Up
Автор: WestheimerА ещё на UP
Автор: ReViZoR





